ขารับลูกกลิ้ง
 
เราสามารถผลิตขารับลูกกลิ้งสำหรับรองใต้สายพานได้ทั้งแบบ 2 ตอน ( V-Troughing Hanger) และแบบ 3 ตอน ( U Troughing Hanger) โดยคำนึงถึงโหลดและลักษณะการใช้งาน  มีทั้งรุ่นที่ใช้กับงาน
ภาระปานกลาง (Medium duty) และรุ่นรับภาระเบา ( Light duty)
 
เราสามารถผลิตขารับลูกกลิ้งตามหน้ากว้างสายพานตามที่ลูกค้าต้องการ  หรือถ้าต้องการสินค้าพร้อมใช้  ทางเรามี stock ขนาดรุ่นสายพานหน้ากว้าง 20 นิ้ว (500 มม.) และรุ่นสายพานหน้ากว้าง 22 นิ้ว (600 มม.) รวมถึงอะไหล่ลูกกลิ้งพร้อมใช้
 
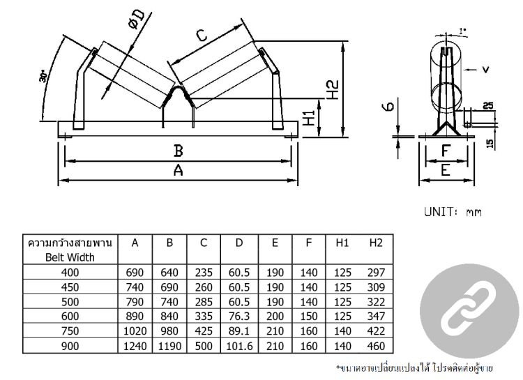
ขารับลูกกลิ้งสามตอน รุ่นรับภาระปานกลาง
ขารับลูกกลิ้งสามตอน รุ่นรับภาระปานกลาง
ขารับลูกกลิ้งสามตอน รุ่นรับภาระเบา
ขารับลูกกลิ้งพาสายพานกลับ รุ่นรับภาระเบา
ขารับลูกกลิ้งสามตอน รุ่นรับภาระปานกลาง
ขารับลูกกลิ้งสามตอน รุ่นรับภาระเบา
ขารับลูกกลิ้งสองตอน รุ่นรับภาระปานกลาง
ขารับลูกกลิ้งพาสายพานกลับ รุ่นรับภาระเบา
Powered by MakeWebEasy.com
เว็บไซต์นี้มีการใช้งานคุกกี้ เพื่อเพิ่มประสิทธิภาพและประสบการณ์ที่ดีในการใช้งานเว็บไซต์ของท่าน ท่านสามารถอ่านรายละเอียดเพิ่มเติมได้ที่ นโยบายความเป็นส่วนตัว  และ  นโยบายคุกกี้