ลูกกลิ้งรองสายพาน (Idler Roller)
 
เราเป็นโรงงานผลิตลูกกลิ้งสำหรับรองใต้สายพาน (Idler Roller) ขนาดหน้ากว้างหลายขนาด เช่น 16 นิ้ว 18 นิ้ว 20 นิ้ว และ 24 นิ้ว หรือขนาดอื่นๆตามที่ลูกค้าต้องการ
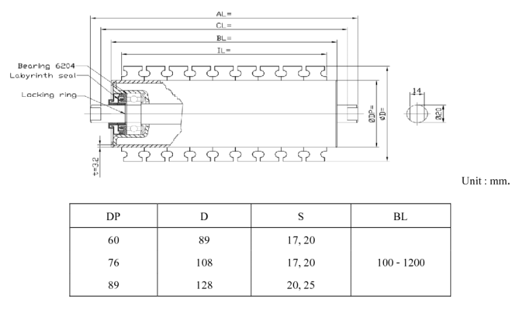
ลูกกลิ้งรองใต้สายพานของเราใส่ระบบซีลกันฝุ่น ( Labyrinth  Seal) เหมาะใช้กับงานที่มีฝุ่นหรืองานภายนอกอาคาร  เช่น อุตสาหกรรมโรงสี  โรงหล่อ  โรงโม่  โรงปูนซีเมนต์  และโรงแป้งมันสำปะหลัง  เป็นต้น  วัสดุลูกกลิ้งสามารถเลือกได้ทั้งแบบเหล็กหรือสแตนเลส 
 
สำหรับลูกกลิ้งรองใต้สายพานหน้ากว้างรุ่น 20 นิ้ว (500 มม.) และรุ่น 22 นิ้ว (600 มม.) ทางเรามี stock พร้อมส่ง    
ลูกกลิ้งรองสายพาน
ลูกกลิ้งลดแรงกระแทรก
ลูกกลิ้งรองสายพานแบบใส่แหวนยาง
ลูกกลิ้งรองสายพานแบบเชื่อมเพลา
ลูกกลิ้งลดแรงกระแทก (Impact Roller)
 
และเรายังผลิตลูกกลิ้งรองใต้สายพานแบบใส่แหวนยาง หรือลูกกลิ้งลดแรงกระแทก (Impact Roller) ซึ่งเหมาะเป็นลูกกลิ้งที่ต้องติดตั้งในช่วงที่สายพานต้องรับแรงกระแทก  เช่น  ช่วงโหลดของเข้าสายพาน  เพื่อช่วยยืดอายุการใช้งานของสายพาน  และช่วยลดแรงกระชากของสายพาน
ลูกกลิ้งรองสายพาน
ลูกกลิ้งลดแรงกระแทรก
Powered by MakeWebEasy.com
เว็บไซต์นี้มีการใช้งานคุกกี้ เพื่อเพิ่มประสิทธิภาพและประสบการณ์ที่ดีในการใช้งานเว็บไซต์ของท่าน ท่านสามารถอ่านรายละเอียดเพิ่มเติมได้ที่ นโยบายความเป็นส่วนตัว  และ  นโยบายคุกกี้